Skip to main content
globe
Region & Language {{(header.eyebrow.langSelector.label != '') ? header.eyebrow.langSelector.label : getTranslation('panduit.localeselect.chooselanguage')}}
Product Country of Use
{{getCountryTranslation()}}
{{ distyMobilePopUpData.title }}
{{ distyMobilePopUpData.primarybody }}
{{ distyMobilePopUpData.secondarybody }}
{{header.eyebrow.bom.label}}
{{addedBomQuantity}} {{addedBomName}} Added
{{totalQuantityInBom}} item(s) View List >>

VeriSafe™ AVT Instruction Manual Revision Notice

Instruction Manual Revision: 15


VeriSafe™ AVT Models
: VS-AVT-C08-L10, VS-AVT-C02-L03, VS-AVT-C08-L10U, VS-AVT-C02-L03U

Instruction Manual Revision: 1

Date: 2/25/2026

Author: Alan Bond


Description of Instruction Manual Change

 

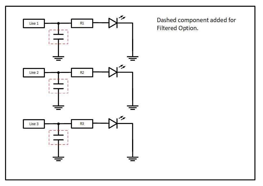
What is a Filtered Battery Indicator Module? (Panduit PN: VS-AVT-3IB-F)

A “filtered” Battery Indicator Module is the same Battery Indicator Module, yet it has an additional component in line with each of the 3 red presence of voltage LED circuits. This is to control high frequency electrical noise as, in some installations, this noise can be coupled from powered feeders to an adjacent unpowered circuit in the same conduit. In these cases, the energized conductors can generate a small high frequency induced voltage which may cause the red LEDs for the AVT monitoring the unpowered adjacent circuit to be lit dimly, flicker, or in some rare cases, illuminate when voltage is not actually present. See Figure 1 below.

Dashed Component

We Recommend a Filtered Indicator for applications:

  • If conductors of the circuit that the VeriSafe unit is installed on will be run along other circuits in the same conduit for some distance
  • If the circuits are powering noise sources such as drives or controllers that could induce that noise onto adjacent conductors
  • This is the best option for most circuits

Note: The presence of voltage circuits (the red LEDs) are not part of the safety function of the VeriSafe AVT and only receiving a green LED is functionally safety rated (SIL3) and the green light alone should be utilized for determining if the source conductor is deenergized.

Note: The green LED safety circuit is NOT impacted by these noise conditions.  If hazardous voltage is present, even in the presence of this electrical noise, VeriSafe will NOT issue a Green light.

Over the life of VeriSafe 600V, the Indicator Module has been modified to include, or not include these high pass filters. To know what you may have, you should reference the Manufacturing Date (Mfr Date) on the Indicator Module itself, as seen in the image below.

 

Filtered Or Unfiltered Indicator

VS-AVT-C08-L10

VS-AVT-C02-L03

Unfiltered

5/25/2017 - 8/18/2019

Filtered

8/19/2019 - 1/23/2022

Unfiltered

1/24/2022 - 12/25/2026

1/24/2022 – TBD

Filtered

12/26/2026– Present

Expected April 2026

A Mfr Date of March 9th, 2023 would make this VS-AVT-C08-L10 Indicator Module an Unfiltered Indicator.

For any questions or concerns, please reach out to Panduit Technical Support:

Email:    techsupport@panduit.com

Tel:         1-866-405-6654